Application Scenarios
1.Box-type exciter for heavy-duty industrial applications.
2.Designed to eliminate material blocking and improve flow.
3.Robust vibration solution for bulk material handling.
Introduction
JZZ Box Type Vibration Exciter is a vibration device designed with a box-type structure.Its compact and reinforced housing allows it to generate strong and stable vibration, making it suitable for heavy-duty working conditions.
This exciter is widely used in bins, hoppers, chutes, and other bulk material handling equipment to prevent material arching, bridging, and blockage.

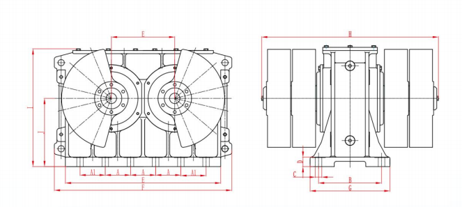
TechnicalSpecifications and Dimensions Table
